首頁 / 產品系列
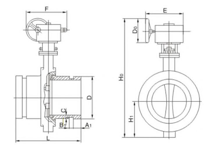
該產品是我公司新開發的新型閥門,它具有安裝迅速,簡易可靠、重量輕、操作靈活、維修方便等優點。特別是其既具備偏心蝶閥所特有的良好密封性,又具備與管件連接所要求的快捷性。可廣泛應用于給排水、消防、石油、化工、醫藥、鋼鐵等,采用國內新型的溝槽式管件的管路上作為截斷或調節之用。
1、卡箍式蝶閥密封采用國外新技術設計成為偏心式密封副受壓后緊閉移動量少,磨擦程度輕(基本.上無磨擦),故磨損少、經久耐用;
2、蝶板采用歐洲一流的橡膠硫化技術,使得蝶板整體包膠,能夠保證蝶板的精確幾何尺寸,互換,性強,耐腐蝕;
3、閥體內外采用粉體環氧樹脂涂裝,可防止閥體的腐蝕及不至于閥內出現鐵水現象;
4、閥桿與閥體采用三道“O” 型環密封圈密封設計,大大減少開關時摩擦阻力,大幅度減少了漏水,使閥門經常開關而不外漏;
5、卡箍式蝶閥結構緊湊、體積小、重量輕、操作靈活、維修方便;
6、設計采用偏心雙向密封原理、密封性能可靠、不受介質流向限制作;
7、過流面積大、流阻系數小、流通能力大;
8、抗老化、抗輻射、經久耐用。

水利系列消防閥.pdf